xxx少妇厨房xxx乱,梦精记,国产av躁一二三区免费播放,欧美啪啪

/

新聞資訊

/

行業新聞

電源模塊常用的四種MOSFET驅動電路

2020-07-16

MOSFET又叫場效應管,輸入電阻極大,兆歐級的,容易驅動因導通內阻低、開關速度快等優點廣泛應用于開關電源中。在使用MOSFET設計開關電源時,大部分人都會考慮導通電阻、最大電壓、最大電流常根據電源ICMOSFET的參數選擇合適的電路。但很多時候僅僅考慮了這些因素并不是一個好的設計方案還應考慮本身寄生的參數。Mos驅動電路,驅動腳輸出的峰值電流,上升速率等都會影響MOSFET的開關性能。下面介紹電源模塊常用的四種MOSFET驅動電路。

 

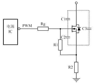
電源IC直接驅動MOSFET

電源IC直接驅動是我們最常用的驅動方式,同時也是最簡單的驅動方式,使用這種驅動方式的電源模塊,應該注意幾個參數以及這些參數的影響。

 

1、查看一下電源IC手冊,其最大驅動峰值電流,因為不同芯片,驅動能力很多時候是不一樣的。

2、了解一下MOSFET的寄生電容,如圖中C1C2的值。如果C1C2的值比較大,MOS管導通的需要的能量就比較大,如果電源IC沒有比較大的驅動峰值電流,那么管子導通的速度就比較慢。如果驅動能力不足,上升沿可能出現高頻振蕩,即使把圖中Rg減小也不能解決問題。IC驅動能力、MOS寄生電容大小、MOS管開關速度等因素,都影響驅動電阻阻值的選擇,所以Rg并不能無限減小。

 

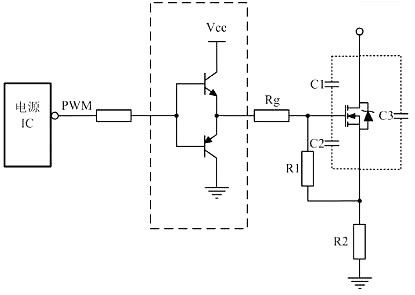
電源IC驅動能力不足時

如果選擇MOS管寄生電容比較大,電源IC內部的驅動能力又不足時,需要在驅動電路上增強驅動能力,常用圖騰柱電路增加電源IC驅動能力,如下圖所示

 

這種驅動電路作用在于提升電流提供能力,迅速完成對于柵極輸入電容電荷的充電過程。這種拓撲增加了導通所需要的時間,但是減少了關斷時間,開關管能快速開通且避免上升沿的高頻振蕩。

 

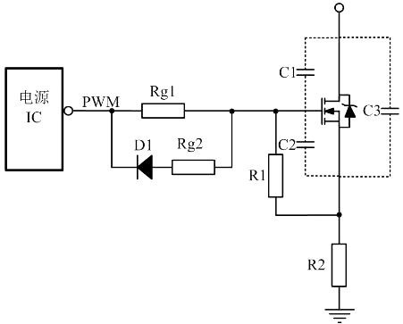
驅動電路加速MOS管關斷時間

關斷瞬間驅動電路能提供一個盡可能低阻抗的通路供MOSFET柵源極間電容電壓快速泄放,保證開關管能快速關斷。為使柵源極間電容電壓的快速泄放,常在驅動電阻上并聯一個電阻和一個二極管

 

上圖所示其中D1常用的是快恢復二極管這使關斷時間減小,同時減小關斷時的損耗。Rg2是防止關斷的時電流過大,把電源IC給燒掉。

 

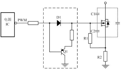
在介紹第二的圖騰柱電路也有加快關斷作用當電源IC的驅動能力足夠時,對電路改進可以加速MOS管關斷時間

 

如上圖所示:用三極管來泄放柵源極間電容電壓是比較常見的。如果Q1的發射極沒有電阻,當PNP三極管導通時,柵源極間電容短接,達到最短時間內把電荷放完,最大限度減小關斷時的交叉損耗。與上面拓撲相比較,還有一個好處,就是柵源極間電容上的電荷泄放時電流不經過電源IC,提高了電源模塊可靠性。

 

隔離驅動:

 

為了滿足上圖所示高端MOS管的驅動,經常會采用變壓器驅動,有時為了滿足安全隔離也使用變壓器驅動。其中R1目的是抑制PCB板上寄生的電感與C1形成LC振蕩,C1的目的是隔開直流,通過交流,同時也能防止磁芯飽和。

 

一個好的MOSFET驅動電路主要有以下五種要求:

1、開關管開通瞬時,驅動電路應能提供足夠大的充電電流使MOSFET柵源極間電壓迅速上升到所需值,保證開關管能快速開通且不存在上升沿的高頻振蕩。

2、開關導通期間驅動電路能保證MOSFET柵源極間電壓保持穩定且可靠導通。

3、關斷瞬間驅動電路能提供一個盡可能低阻抗的通路供MOSFET柵源極間電容電壓的快速泄放,保證開關管能快速關斷。

4、驅動電路結構簡單可靠、損耗小。

5、根據情況施加隔離。

 

電源模塊中的MOSFET驅動電路還有很多其它形式的驅動電路對于各種各樣的驅動電路并沒有一種驅動電路是最好的,只有結合具體應用,選擇最合適的驅動。如果選用成品模塊電源,這部分的工作直接由模塊電源廠家研發、設計完成。